Mon panier
0
Article
Mon compte
Rechercher :
Rechercher
facebook
VOTRE PROJET
Ecrans de protection en verre
Parois & cabines de douches en verre
Portes & cloisons en verre ou vitrées
Cloisons atelier d'artiste, verrière
Pare-douche sur baignoire
Portes & cloisons coulissantes vitrées
Crédences de cuisines
Garde-corps vitrés
Dalles de sol en verre
Revêtement mural
Plateaux de tables, consoles & Mobilier
Façades & Devantures de Magasin
Verrières & puits de lumière
VITRAGES
MIROIRS
VERRES SATINÉS UNIS
VERRES LAQUÉS, LAQUÉS anti-éclats & LAQUÉS anticorrosion
VERRES CLAIRS, EXTRA-BLANCS & TEINTÉS
VERRES GRAVÉS
VERRES VINTAGE
VERRES DESIGN
VERRES COULÉS, IMPRIMÉS
VOTRE SERISTAL verre façonné trempé
SERIDOUCHE verre anticorrosion
VOTRE PLASTOFLOAT vitrage feuilleté
PLASTOFLOAT VANCEVA COLOR
PLASTOFLOAT SATINÉ
VERRES DE PROTECTION CONTRE LE VANDALISME & L'EFFRACTION
VERRES DE PROTECTION CONTRE LE BRUIT
VOTRE VIM, Vitrage Isolant Macocco
SERISTAL IMAGE
SERISTAL CHROME
VERRES LAQUÉS TREMPÉS
PLASTOFLOAT EXTRA-BLANC
PLASTOFLOAT VISION-LITE
PLASTOFLOAT FRAGMENT DECOR
VERRES DE CONTRÔLE SOLAIRE
VERRES TEXTURÉS DE COULEUR
MIROIRS ANTI-BUÉE
SERISTAL STONE
SERISTAL FOREST
VERRES THINKGLASS
VERRES CONTRE L'INCENDIE
VERRES TREMPÉS POUR PORTES SUR PENTURES
VERRES TREMPÉS POUR PORTE SUR PAUMELLES
MIROIRS Espion
VERRES PROFILÉS ARMÉS
VERRES POUR INSERTS, POÊLES & CHEMINEES
VIM HAUTES PERFORMANCES
ACCESSOIRES
Profils & cornières
Boutons & poignées
Charnières, Paumelles & connecteurs d'angle de douche
Paumelles & pentures pour portes en verre
Poteaux & raidisseurs
Pivots & ferme-portes
Blocages & loqueteaux
Kits coulissants ou pivotants
Serrures & pièces de rotation
Accessoires de fixation & divers
Mastics, colles, silicones & joints
Outillage de Vitrerie Miroiterie
Étanchéité & collage
Besoin d'un conseil ?
Contactez-nous
Paumelles & pentures pour portes en verre
Affichage des prix
HT
TTC
Accueil
Accessoires
Paumelles & pentures pour portes en verre
Fiches à entailler pour huisserie métallique, droites
Retour
à la liste
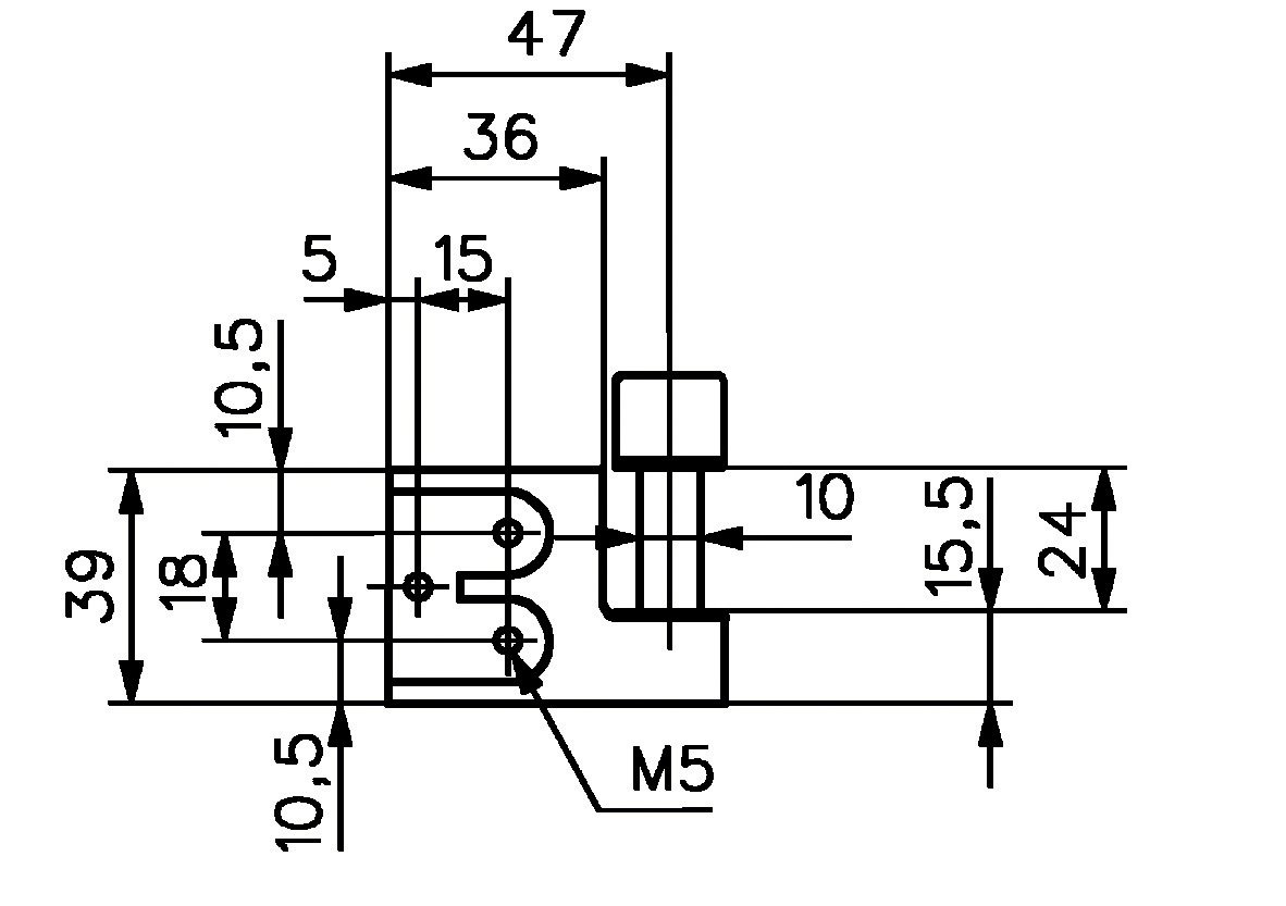
Fiches à entailler pour huisserie métallique, droites
La paire de fiches 3205 droites
Produits complémentaires
Paumellles 4200
Paumelles 4201
45,02 € ttc
Décor
Laiton poli
Chromé mat
Chromé brillant
Sens
Droite
Fiches à entailler pour huisserie métallique, droites - Fiches 3205 POD - Laiton poli Droite
Fiches à entailler pour huisserie métallique, droites - Fiches 3205 CMD - Chromé mat Droite
Fiches à entailler pour huisserie métallique, droites - Fiches 3205 CBD - Chromé brillant Droite
Ajouter au panier
Consultez-nous
Haut
Fermer
A cause des fêtes de fin d'année
du 23 décembre au 5 janvier
le traitement de vos
commandes sera ralenti
nous vous prions de nous en excuser