Mon panier
0
Article
Mon compte
Rechercher :
Rechercher
facebook
VOTRE PROJET
Ecrans de protection en verre
Parois & cabines de douches en verre
Portes & cloisons en verre ou vitrées
Cloisons atelier d'artiste, verrière
Pare-douche sur baignoire
Portes & cloisons coulissantes vitrées
Crédences de cuisines
Garde-corps vitrés
Dalles de sol en verre
Revêtement mural
Plateaux de tables, consoles & Mobilier
Façades & Devantures de Magasin
Verrières & puits de lumière
VITRAGES
MIROIRS
VERRES SATINÉS UNIS
VERRES LAQUÉS, LAQUÉS anti-éclats & LAQUÉS anticorrosion
VERRES CLAIRS, EXTRA-BLANCS & TEINTÉS
VERRES GRAVÉS
VERRES VINTAGE
VERRES DESIGN
VERRES COULÉS, IMPRIMÉS
VOTRE SERISTAL verre façonné trempé
SERIDOUCHE verre anticorrosion
VOTRE PLASTOFLOAT vitrage feuilleté
PLASTOFLOAT VANCEVA COLOR
PLASTOFLOAT SATINÉ
VERRES DE PROTECTION CONTRE LE VANDALISME & L'EFFRACTION
VERRES DE PROTECTION CONTRE LE BRUIT
VOTRE VIM, Vitrage Isolant Macocco
SERISTAL IMAGE
SERISTAL CHROME
VERRES LAQUÉS TREMPÉS
PLASTOFLOAT EXTRA-BLANC
PLASTOFLOAT VISION-LITE
PLASTOFLOAT FRAGMENT DECOR
VERRES DE CONTRÔLE SOLAIRE
VERRES TEXTURÉS DE COULEUR
MIROIRS ANTI-BUÉE
SERISTAL STONE
SERISTAL FOREST
VERRES THINKGLASS
VERRES CONTRE L'INCENDIE
VERRES TREMPÉS POUR PORTES SUR PENTURES
VERRES TREMPÉS POUR PORTE SUR PAUMELLES
MIROIRS Espion
VERRES PROFILÉS ARMÉS
VERRES POUR INSERTS, POÊLES & CHEMINEES
VIM HAUTES PERFORMANCES
ACCESSOIRES
Profils & cornières
Boutons & poignées
Charnières, Paumelles & connecteurs d'angle de douche
Paumelles & pentures pour portes en verre
Poteaux & raidisseurs
Pivots & ferme-portes
Blocages & loqueteaux
Kits coulissants ou pivotants
Serrures & pièces de rotation
Accessoires de fixation & divers
Mastics, colles, silicones & joints
Outillage de Vitrerie Miroiterie
Étanchéité & collage
Besoin d'un conseil ?
Contactez-nous
Charnières, Paumelles & connecteurs d'angle de douche
Affichage des prix
HT
TTC
Accueil
Accessoires
Charnières, paumelles & connecteurs d'angle de douche
La paire de charnières hd dq30 pour parois de douches
Retour
à la liste
La paire de charnières HD DQ30 pour parois de douches
Logli Massimo Saint Gobain
Charnières simples pour une fixation mur/verre.
Pour portes de douche en verre trempé.
Verres de 6 ou 8 mm d'épaisseur.
Ligne HD
Réglable avec cache
Vis et platine intégralement cachées pour une esthétique améliorée
voir les détails du produit
187,90 € ttc
Décor
Chromé brillant
Alu façon inox
La paire de charnières HD DQ30 pour parois de douches - DQ 30 - Chromé brillant
La paire de charnières HD DQ30 pour parois de douches - DQ 30 - Alu façon inox
Ajouter au panier
Consultez-nous
Détails du produit
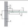
Caractéristiques techniques
Poids maxi par porte 40 kg
Cache en laiton sur un côté pour couvrir les vis qui fixent la charnière
Correction de la position de l'angle du vantail de + ou - 10°
Joints adhésifs pour faciliter le positionnement de la charniére
Angle de rotation de + 90° et - 90° avec déclic à 0° et arrêt à 90°
Retour automatique à la position 0 les derniers 40°
Produits complémentaires
Boutons pour porte de douche
Les verres trempés Séristal
Encoche DQ30
Haut
En poursuivant la navigation sur ce site vous acceptez les cookies
J'ai compris
Je refuse
Plus d'information